Imagine you’re overseeing the construction of a new office building. The design team has just finalized the plans, and now it’s time to focus on the finer details: the doors. As a builder or wholesaler, you know that selecting the right door frame is crucial to both the aesthetic and functionality of the space. But when it comes to door jambs, the choices quickly become more complex.
Choosing the right jamb style involves considering factors like installation ease, door type, and the overall aesthetic of the building. This guide will break down each of these jamb styles, helping you understand their differences, applications, and benefits so you can make the best choice for your next project.

Understanding Door Jambs
A door jamb is the vertical portion of the frame that surrounds a door. It serves as the support structure for the door itself and plays a critical role in its alignment, functionality, and security. Without a properly fitted jamb, a door may not swing smoothly, seal properly, or provide adequate protection.
The jamb typically includes the two side pieces (the legs) and the top piece (the head), which together form the entire frame. A well-designed and installed jamb ensures the door is stable, secure, and able to function as intended. In addition to these core functional elements, a door jamb also impacts the overall aesthetic of the space, affecting the door’s finish and appearance.
There are various types of door jambs, each designed for specific purposes, construction styles, and aesthetic preferences. The choice of jamb type will depend on factors like the door’s material, the type of building (residential or commercial), and environmental conditions. Understanding the differences between the jamb styles is crucial for selecting the right option for your project.

Choosing the Right Jamb Style for Your Project
When selecting a door jamb style, it’s essential to match the specific characteristics of the jamb with the needs of the project. Below are the definitions of each jamb style, along with recommendations for compatible door types and suitable applications.
a. Double Rabbeted Jamb
Definition: A Double Rabbeted Jamb features two notched edges (rabbets) on each side of the frame. This design ensures that the door fits snugly against the frame, providing a tight seal and more refined finish. The double rabbet helps align the door with precision and offers a cleaner, more polished look, ideal for high-quality installations.
- Suitable Door Types: Double rabbeted jambs are typically used for interior or exterior doors, especially those where appearance and a high level of finish are crucial. They are ideal for solid wood doors, hinged doors, and panel doors.
- Compatible Applications:
- Residential Properties: These jambs are perfect for high-end homes or luxury buildings where aesthetics are a priority.
- Commercial Spaces: Ideal for upscale commercial areas that require a professional and polished look, such as corporate offices, lobbies, or hotels.
- Advantages: The double rabbet provides a clean, precise fit and improves insulation and soundproofing. It also enhances the overall aesthetic of the space.

b. Single Rabbeted Jamb
Definition: A Single Rabbeted Jamb is a type of door frame that features an L-shaped profile, where the jamb has a single recessed edge (rabbet) designed to receive the door panel. This design ensures a snug fit between the door and the frame, improving security, insulation, and overall stability.
- Suitable Door Types: Commonly used with exterior doors and fire-rated doors, where durability and proper sealing are critical.
- Scenarios: Ideal for settings that require enhanced protection against weather, noise, or fire, such as residential main entrances, commercial buildings, and industrial facilities. Its L-shaped rabbet also helps in achieving a clean and finished look while ensuring the door closes tightly against the frame.

Key Advantages:
- Provides a secure and tight closure for doors that need to meet safety or environmental standards.
- Simplifies installation for doors that require consistent alignment with the frame.
- Enhances the door’s resistance to forced entry or environmental elements.
c. Split Jamb
Definition: A Split Jamb consists of two separate pieces: the jamb itself and a separate trim piece. This design is commonly used with pre-hung doors. The split jamb provides more flexibility during installation, making it easier to adjust and fit the door frame accurately. It’s particularly useful when door frames need to be adjusted for uneven wall surfaces.
- Suitable Door Types: Split jambs are ideal for pre-hung doors, which come with the door already mounted on the frame. This style works well with both interior and exterior pre-hung doors made from wood, fiberglass, or steel.
- Compatible Applications:
- Renovations and Remodels: Perfect for projects where the door frame needs to be adjusted or fit into existing structures.
- New Construction: Often used in new builds when quick and efficient door installations are required, particularly with pre-hung doors.
- Advantages: Split jambs simplify the installation process, especially when working with pre-hung doors. They also offer easy adjustability, making them ideal for uneven walls or non-standard door openings.

d. Flat Jamb
Definition: A Flat Jamb is a type of door frame with a straight, flat profile that does not have any rabbet or recessed edge. The door panel sits flush with the frame, creating a clean and minimalistic appearance. This type of jamb is simple in design and widely used for interior doors where high-security sealing is not required. Please note that with a flat jamb, the door stop needs to be added separately by the customer.
- Suitable Door Types: Flat jambs are most commonly used with lightweight doors, including hollow core doors, flush doors, and simple panel doors. They are more suitable for interior doors in areas where visual appeal isn’t a primary concern.
- Compatible Applications:
- Budget-Conscious Projects: Great for temporary or utilitarian applications, such as in storage rooms, utility rooms, or garages.
- Industrial or Utility Spaces: Often used in warehouses, factories, or other industrial settings where functionality outweighs aesthetics.
- Advantages: Flat jambs are easy to manufacture, cost-effective, and quick to install. They provide a functional, no-frills solution for basic door needs.

Door Jamb Comparison Chart
| Jamb Type | Structure Description | Best For | Compatible Door Types | Installation Difficulty | Key Advantages |
|---|---|---|---|---|---|
| Double Rabbeted Jamb | Two notched (stepped) edges on both sides of the frame for a tight, flush fit. | High-end residential & commercial projects | Solid wood, panel, or fire-rated doors | ★★★★☆ (Precise alignment required) | Excellent soundproofing and insulation; premium finish |
| Single Rabbeted Jamb | L-shaped profile with one recessed edge for the door panel. | Exterior doors, main entrances, or fire-rated doors | Solid core or steel doors | ★★★☆☆ | Tight closure improves sealing and durability |
| Split Jamb | Two adjustable pieces wrap around the wall; ideal for pre-hung doors. | Remodels, uneven walls, or fast installations | Pre-hung wood, fiberglass, or steel doors | ★★☆☆☆ (Easy for installers) | Adjustable; accommodates wall thickness variations |
| Flat Jamb | Simple flat board with no rabbet; door stop added separately. | Budget projects, utility or interior spaces | Hollow core or flush doors | ★★☆☆☆ (Simple & quick) | Most cost-effective option; easy to produce |
Door Jamb Sizes and Dimensions
Before selecting a jamb type, it’s essential to understand door jamb sizing, as it directly affects installation and fit.
Standard Jamb Widths
Typical door jamb widths range from 4-9/16″ (116 mm) to 6-9/16″ (167 mm), depending on the wall’s total thickness. Thicker walls require wider jambs to ensure the frame sits flush with both sides of the drywall.
Double Rabbeted Jamb Sizes
A double rabbeted jamb has two rabbets, with the frame measuring 1-3/16 inch (≈1.19″) thick, one rabbet 1-7/8 inch (≈1.88″) deep and the other 1-1/2 inch (≈1.50″) deep.

Single Rabbeted Jamb Sizes
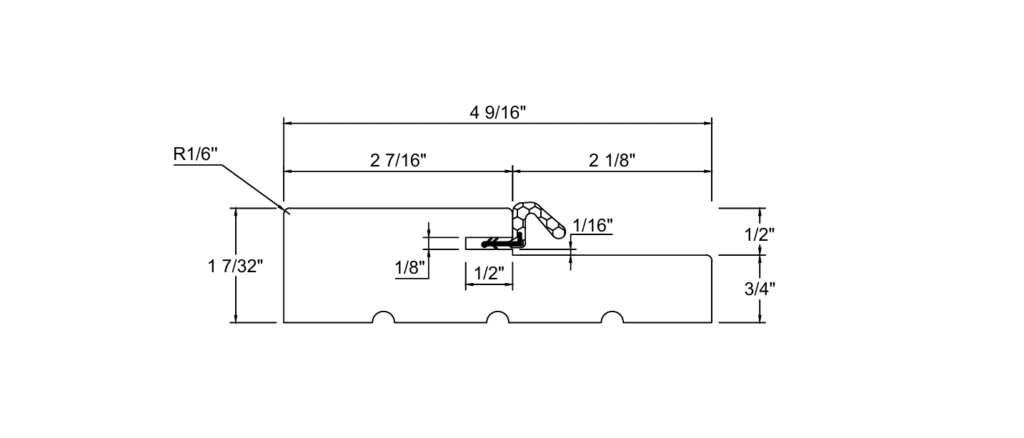
The single rabbeted jamb, sometimes called an L-type jamb, has one recessed edge that forms an “L” shape to receive the door panel. It generally measures 1-7/32 inch (≈1.22″) thick, with a rabbet depth of approximately 2-1/8 inch (≈2.13″).

Split Jamb Sizes
A split jamb, making it highly versatile for varying wall thicknesses, has a frame thickness of approximately 1-1/16 inch (≈1.06″).

Flat Jamb Sizes
The flat jamb is typically 21/31 inch (≈0.68″) thick, providing a clean and minimal frame for interior doors. Since there is no integrated stop or rabbet, a separate door stop molding is added during installation.

Key Factors in Choosing a Jamb Style
Selecting the right door jamb involves several practical considerations, including climate, budget, maintenance, and building codes. Here’s a brief look at the key factors:
Climate and Environmental Considerations
Wooden jambs expand and contract with temperature and humidity changes. For humid or fluctuating climates, Double Rabbeted or Split Jambs are ideal for added durability and better sealing. Flat Jambs may be less effective in such environments.
- Humid or Wet Climates: Double Rabbeted or Split Jambs for better insulation.
- Dry or Mild Climates: Single Rabbeted or Flat Jambs.
Maintenance
Double Rabbeted Jambs may require more upkeep due to their precise fit, while Flat and Single Rabbeted Jambs are easier to maintain but may not provide as tight a seal, impacting insulation.
- Low Maintenance: Flat and Single Rabbeted Jambs.
- Higher Maintenance: Double Rabbeted Jambs.
Building Codes and Standards
Local building codes may require specific jamb types for security or fire-rated doors. Double Rabbeted Jambs are commonly used for these specialized needs, while Flat Jambs may not meet these standards.
- Fire-Rated or Secure Doors: Double Rabbeted/Single Rabbeted Jambs.
- General Use: Single Rabbeted and Flat Jambs.
Conclusion
Choosing the right door jamb is a critical step in ensuring the longevity, functionality, and aesthetic appeal of a door system. Whether you opt for a Double Rabbeted, Single Rabbeted, Split, or Flat jamb, the choice should align with the specific needs of your project, such as building type, door type, climate conditions, and budget considerations.
By understanding the differences between these jamb styles, builders and wholesalers can make informed decisions that will improve the overall quality of their projects. Proper installation is just as important as selecting the right jamb, ensuring that doors fit securely, operate smoothly, and maintain their integrity over time.
In summary, the key to choosing the right jamb style lies in carefully considering factors like the building’s requirements, door functions, and your project’s specific needs. Always prioritize ease of installation, door type compatibility, and long-term durability to ensure the best possible outcome.



